D8/72I-125
INOX záves pružinový jednostranný, L=125mm
163,60 Kč
Jednotková cena
/
Nie je dostupný
bez DPH
s DPH
Skladová dostupnosť
SK Krompachy
> 250
CZ Říčany u Brna
0
CZ Hradec Králové
0
CZ Praha Otice
1
CZ Moravany Brno
0
Kontakt
Kontakt
Pre viac informácii kontaktujte nášho obchodníka:
objednavky@umakov.sk; info@umakov.sk
+421 908 986 081, +421 908 994 153
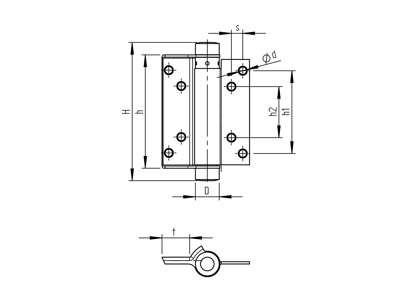
Popis
Samozatvárací nerezový pružinový záves, jednostranný, výška 125mm. Možnosť nastavenia sily. Určené do interiéru.
Odporúčanie pri 2-kusoch závesov: Hrúbka dverí 30 - 35 mm, šírka dverí do 700mm , váha dverí do 27kg
