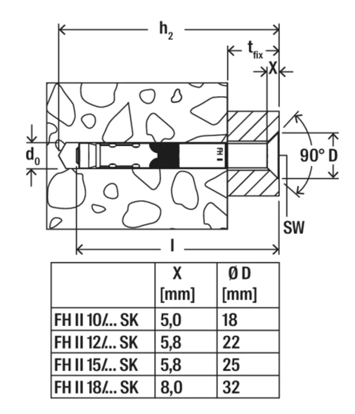
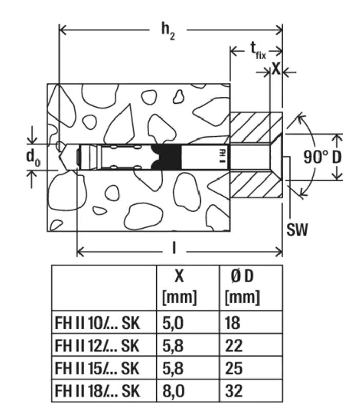
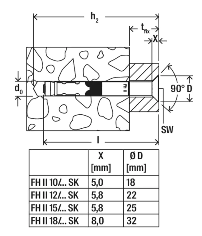
Kotva oceľová pre veľké zaťaženie so zápustnou hlavou
Kontakt
Kontakt
Pre viac informácii kontaktujte nášho obchodníka:
Popis
Prievlačná montáž šetrí čas.
Pri uťahovaní skrutky je rozperný kužeľ vťahovaný do tela kotvy a zaprie ho proti stene vyvŕtaného otvoru. Čierny prstenec z plastu zabraňuje rozpernej časti v pretočení a absorbuje posun kotvy pri uťahovaní. Tým je kotvený predmet priťahovaný ku kotevnému podkladu.
Kotva pre vysoké záťaženie je vhodná na upevnenie zábradlí, schodiskových konštrukcií a rebríkov do trhlinového a netrhlinového betónu.
Zápustná hlava je vhodná pre montáž do roviny s povrchom upevňovaného predmetu.
Medzinárodne certifikáty garantujú najvyššiu bezpečnosť a ETA umožňuje použiť kotvu pre aplikácie v oblastiach so seizmickým zaťažením kategórie C1 a C2.
Spolupôsobenie skrutky a plášťa kotvy značne zvyšuje šmykovú únosnosť, a tak je možné znížiť počet kotevných bodov.
Optimalizovaný tvar kotvy šetrí silu pri jej osadzovaní
Osvedčenie ETA: ÁNO
Priemer vrtáku (d0): 12 mm
Min. hĺbka vŕtaného otvoru pri prievlačnej montáži (h2): 130 mm
Max. hrúbka upevňovaného predmetu (t fix): 50 mm
Závit (M): M8
Obal: Krabička
Balenie: 25Ks
GTIN (EAN-Code): 4006209449196
Seizmický certifikát: C1 / C2
Katalog
Povinný sortiment
Celosklenené zábradlie-profil-vrchné kotvenie AL/E AL/0004-S-E-90-OUT
Skladová dostupnosť
História ceny
Celosklenené zábradlie-profil-vrchné kotvenie AL/0004-5000-S-E
Skladová dostupnosť
História ceny
Celosklenené zábradlie-profil-vrchné kotvenie AL/0004-2500-S-E
Skladová dostupnosť
História ceny
Celosklenené zábradlie-profil-vrchné kotvenie AL/0004-1250-S-E
Skladová dostupnosť
História ceny
Celosklenené zábradlie-profil-vrchné kotvenie AL/0004-5000-S-E
Skladová dostupnosť
História ceny
Celosklenené zábradlie-profil-horný-vnút.odvodnený AL/0004-5000-S-E-Drain
Skladová dostupnosť
História ceny
Celosklenené zábradlie-profil-vrchné kotvenie AL/0004-2500-S-E
Skladová dostupnosť
História ceny
Celosklenené zábradlie-profil-vrchné kotvenie AL/0004-6000-S-E
Skladová dostupnosť
História ceny
Celosklenené zábradlie-profil dutý-vrchné kotvenie AL/0004-ECO-5000-S-E
Skladová dostupnosť
História ceny
Nerezová kotva A5/08-105x11xM8
Skladová dostupnosť
História ceny
Pomôcka na montaž skla do AL PRO profilov AL/glass-mont-PRO
Skladová dostupnosť
História ceny
Kotva chemická 300ml - Polyester Q5/01GFP-300
Skladová dostupnosť
História ceny
Kotva oceľová VI-IG M8 Q5/08-VI-IG-M8-100/S
História ceny
Kotva nerezová VI-IG M8 A5/08-VI-IG-M8-100/A4
História ceny
Kužeľová skrutka + kuž. podložka, M8, Zn, SW=T40 W-DIN 7991 M8x20-P
Skladová dostupnosť
História ceny
Kotva oceľová pre veľké zaťaženie so zápustnou hlavou Q5/08-FH12-50
Skladová dostupnosť
História ceny
Celosklenené zábradlie-profil-vrchné kotvenie AL/0004-2500-S-E
Skladová dostupnosť
História ceny
Celosklenené zábradlie-profil-vrchné kotvenie AL/0004-5000-S-E
Skladová dostupnosť
História ceny
Celosklenené zábradlie-profil-vrchné kotvenie AL/0004-6000-S-E
Skladová dostupnosť
História ceny
Celosklenené zábradlie-profil dutý-vrchné kotvenie AL/0004-ECO-2500-S-E
Skladová dostupnosť
História ceny
Nerezová kotva A5/08-105x11xM8
Skladová dostupnosť
História ceny
Pomôcka na montaž skla do AL PRO profilov AL/glass-mont-PRO
Skladová dostupnosť
História ceny
Set - kotvenie pre sklo A19/0004-012-02.5
Skladová dostupnosť
História ceny
Kotva oceľová VI-IG M8 Q5/08-VI-IG-M8-100/S
História ceny
Kotva nerezová VI-IG M8 A5/08-VI-IG-M8-100/A4
História ceny
Kužeľová skrutka + kuž. podložka, M8, Zn, SW=T40 W-DIN 7991 M8x20-P
Skladová dostupnosť
História ceny
Kotva oceľová pre veľké zaťaženie so zápustnou hlavou Q5/08-FH12-50
Skladová dostupnosť
História ceny
Celosklenené zábradlie-profil-vrchné kotvenie AL/0004-1250-S-E
Skladová dostupnosť
História ceny
Celosklenené zábradlie-profil-vrchné kotvenie AL/0004-5000-S-E
Skladová dostupnosť
História ceny
Celosklenené zábradlie-profil-vrchné kotvenie AL/0004-2500-S-E
Skladová dostupnosť
História ceny
Kotva nerezová VI-IG M8 A5/08-VI-IG-M8-100/A4
História ceny
Pomôcka na montaž skla do AL PRO profilov AL/glass-mont-PRO
Skladová dostupnosť
História ceny
Set - kotvenie pre sklo A19/0004-012-02.5
Skladová dostupnosť
História ceny
Kotva oceľová VI-IG M8 Q5/08-VI-IG-M8-100/S
História ceny
Kotva oceľová pre veľké zaťaženie so zápustnou hlavou Q5/08-FH12-50
Skladová dostupnosť
História ceny
Nerezová kotva A5/08-105x11xM8
Skladová dostupnosť
História ceny
Kužeľová skrutka + kuž. podložka, M8, Zn, SW=T40 W-DIN 7991 M8x20-P
Skladová dostupnosť
História ceny
Celosklenené zábradlie-profil-vrchné kotvenie AL/0008-5000-S-E
Skladová dostupnosť
História ceny
Celosklenené zábradlie-profil-vrchné kotvenie AL/0008-2500-S-E
Skladová dostupnosť
História ceny
Celosklenené zábradlie-profil-bočné kotvenie AL/0009-5000-S-E
Skladová dostupnosť
História ceny
Celosklenené zábradlie-profil-bočné kotvenie AL/0009-2500-S-E
Skladová dostupnosť
História ceny
Celosklenené zábradlie-roh. profil-bočné kotvenie AL/0009-S-E-90-IN
História ceny
Celosklenené zábradlie-roh. profil-bočné kotvenie AL/0009-S-E-90-OUT
História ceny
Celosklenené zábradlie-profil-vrchné kotvenie AL/0004-6000-S-E
Skladová dostupnosť
História ceny
Celosklenené zábradlie-profil-vrchné kotvenie AL/0004-5000-S-E
Skladová dostupnosť
História ceny
Celosklenené zábradlie-profil-vrchné kotvenie AL/0004-2500-S-E
Skladová dostupnosť
História ceny
Celosklenené zábradlie-profil dutý-vrchné kotvenie AL/0004-ECO-6000-S-E
Skladová dostupnosť
História ceny
Nerezová kotva A5/08-105x11xM8
Skladová dostupnosť
História ceny
Pomôcka na montaž skla do AL PRO profilov AL/glass-mont-PRO
Skladová dostupnosť
História ceny
Set - kotvenie pre sklo A19/0004-021-06.0
Skladová dostupnosť
História ceny
Set - kotvenie pre sklo A19/0004-022-06.0
Skladová dostupnosť
História ceny
Kotva oceľová pre veľké zaťaženie so zápustnou hlavou Q5/08-FH12-50
Skladová dostupnosť
História ceny
Kotva oceľová VI-IG M8 Q5/08-VI-IG-M8-100/S
História ceny
Kotva nerezová VI-IG M8 A5/08-VI-IG-M8-100/A4
História ceny
Kužeľová skrutka + kuž. podložka, M8, Zn, SW=T40 W-DIN 7991 M8x20-P
Skladová dostupnosť
História ceny
Alternatívne produkty
Vysokovýkonná kotva so zápustnou hlavou M8 Q5/08-12-125
Skladová dostupnosť
História ceny
Kotva oceľová pre veľké zaťaženie so zápustnou hlavou Q5/08-FH12-50
Skladová dostupnosť
História ceny
Vysokovýkonná kotva so zápustnou hlavou M8, nerezová A5/08-12-125
Skladová dostupnosť
História ceny
Vysokovýkonná kotva so zápustnou hlavou M8, nerezová A5/08-12-125
Skladová dostupnosť
História ceny
Kotva oceľová pre veľké zaťaženie so zápustnou hlavou Q5/08-FH12-50
Skladová dostupnosť
História ceny
Vysokovýkonná kotva so zápustnou hlavou M8 Q5/08-12-125
Skladová dostupnosť
História ceny
Vysokovýkonná kotva so zápustnou hlavou M8 Q5/08-HAZ-M8-80SK/S
Skladová dostupnosť
História ceny
Kotva pre stredne ťažké zaťaženie so zápustnou hlavou M8 Q5/08-M8-75SK/S
Skladová dostupnosť
História ceny
Kotva oceľová pre veľké zaťaženie so zápustnou hlavou Q5/08-FH12-50
Skladová dostupnosť
História ceny
Nerezová kotva A5/08-105x11xM8
Skladová dostupnosť
História ceny
Nerezová kotva, AISI 316 A14/08-105x11xM8
Skladová dostupnosť
História ceny
Nerezová kotva M8, L=140mm A19/27-M8







