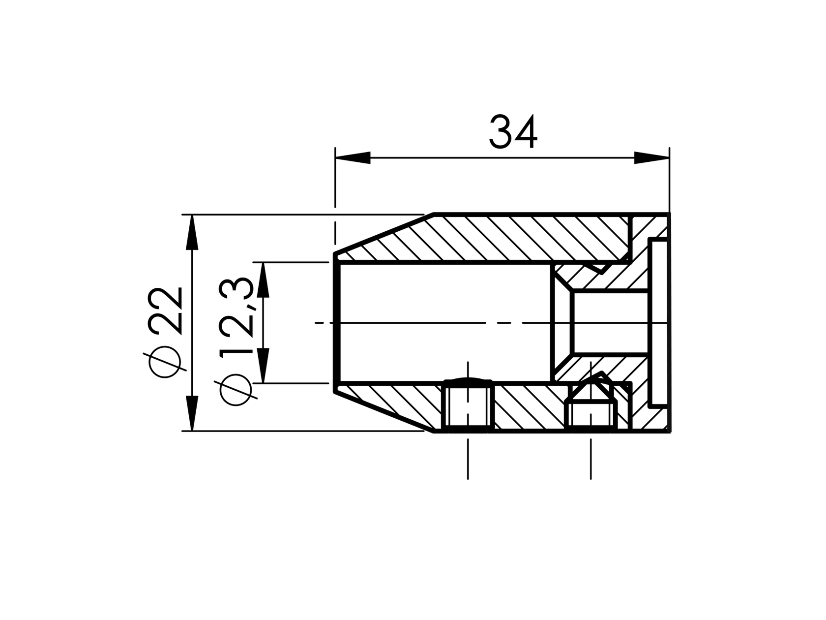
Crossbar holder
Kontakt
Kontakt
Pro více informací kontaktujte našeho obchodníka:
Popis
Ke stažení
Katalog
Povinný sortiment
Hexagon socket countersunk head screw, AISI304, M5x16 A-DIN 7991-A2 M5x16
Stock availability
Price history
Hexagon socket countersunk head screw, AISI316, M5x16 A4-DIN 7991 M5x16
Stock availability
Price history
Vertical railing VR AISI304, D42,4/d12vertical/H10 A/ZVVS100-2000-D12/D12
Stock availability
Price history
Vertical railing BR AISI304, D42,4/d12vertical/H10 A/ZVBR100-2000-D33/D12
Stock availability
Price history
Brushed pipe AISI304,0D42,4x2/15xd12,5/L1980 A/42,4x2-15x0850-2000
Price history
Alternativní produkty
Crossbar holder A14/0851-000
Stock availability
Price history
Crossbar holder- axial A/0850-000
Stock availability
Price history
Crossbar holder A/0851-000
Stock availability
Price history
Hexagon socket countersunk head screw, AISI304, M5x16 A-DIN 7991-A2 M5x16
