A10/0017-012
End cap
22,80 Kč
Unit price
/
Unavailable
without VAT
with VAT
Stock availability
SK Krompachy
> 500
CZ Říčany u Brna
58
CZ Hradec Králové
0
CZ Praha Otice
31
CZ Moravany Brno
0
Kontakt
Kontakt
Pro více informací kontaktujte našeho obchodníka:
lubomir.petruska@umakov.sk
+421915093533 +393483490444
Parametry
Material
Defines the material from which the product is made.
Stainless steel AISI 304
Surface finish
Surface finish of product
Satined
Filling
Determines use based on the size and shape of the infill
d12
Shape
Tvar prierezu materiálu
Round bar
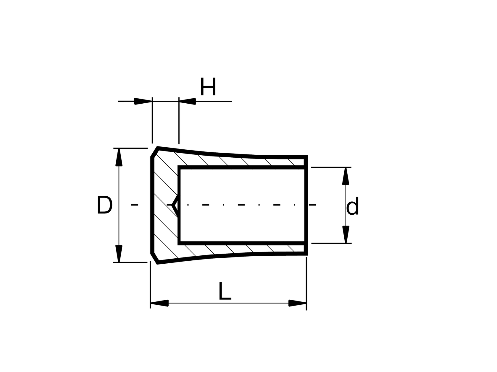
L
Length parameter of the product
22
D
18
d
12
H
2

